Unlock Your Beetle's Audio Potential: Ultimate VW Beetle Monsoon Radio Wiring Diagram Decoded!

Unlock Your Beetle

Discover the definitive VW Beetle Monsoon radio wiring diagram for seamless audio upgrades. Decode intricate wiring configurations with precision and elevate your Beetle's audio experience effortlessly.

In the world of automotive enthusiasts and DIY repairers, the VW Beetle Monsoon radio wiring diagram serves as a crucial guide for navigating the intricacies of audio system installations. Whether you're a seasoned technician or a curious Beetle owner delving into the depths of wiring configurations, this article is your compass through the maze. With a focus on clarity and precision, we dissect the complexities of the Monsoon radio wiring system, offering insights and solutions for every twist and turn. From deciphering color codes to understanding circuitry, we embark on a journey that demystifies the VW Beetle Monsoon radio wiring diagram with meticulous attention to detail and expertise. So, buckle up as we embark on this enlightening exploration of automotive electronics.

Top 10 Points about VW Beetle Monsoon radio wiring diagram :

  • Untangling the Wires: Making Sense of the VW Beetle Monsoon Radio Wiring Diagram
  • Color Code Conundrum: Cracking the Rainbow of Wiring
  • Deciphering the Diagram: From Squiggles to Solutions
  • Power Play: Understanding Voltage and Amperage in Your Beetle's Audio System
  • Ground Control to Major Sound: Navigating Ground Connections
  • Circuit Circus: Following the Path of Electrical Current
  • Amplify the Fun: Exploring Amplifier Integration in Monsoon Systems
  • Speaker Speak: Matching Speakers to the Wiring Diagram
  • Fuse or Lose: Protecting Your Beetle's Audio System with Proper Fuses
  • Final Touches: Fine-Tuning Your Beetle's Audio Setup with the Monsoon Wiring Diagram

Several facts about VW Beetle Monsoon radio wiring diagram

Untangling the Wires

Untangling the Wires: Making Sense of the Diagram

When diving into the complexities of VW Beetle Monsoon radio wiring diagrams, the first challenge is decoding the maze of wires. Each color and line represents a vital connection, dictating the flow of electrical current throughout your Beetle's audio system. By understanding the diagram's layout and symbols, you pave the way for a successful installation or repair.

Color Code Conundrum

Color Code Conundrum: Deciphering the Rainbow

The myriad of colors within the VW Beetle Monsoon radio wiring diagram can initially seem overwhelming. However, each hue serves a distinct purpose, indicating specific functions such as power, ground, and speaker connections. By referring to a reliable wiring diagram guide, you can easily match colors and understand their corresponding roles, simplifying the installation process.

Deciphering the Diagram

Deciphering the Diagram: From Squiggles to Solutions

At first glance, the intricate lines and symbols of the VW Beetle Monsoon radio wiring diagram may resemble a cryptic puzzle. However, with patience and attention to detail, you can decode each element to reveal a roadmap for your audio system. Taking the time to understand the diagram ensures a smooth installation process and optimal performance.

Power Play

Power Play: Understanding Voltage and Amperage

Power is the lifeblood of any audio system, and the VW Beetle Monsoon radio wiring diagram provides crucial insights into its distribution. By grasping concepts like voltage and amperage, you can ensure that your Beetle's audio components receive the necessary power to operate efficiently. Proper understanding of power dynamics also safeguards against electrical issues and component damage.

Ground Control to Major Sound

Ground Control to Major Sound: Navigating Ground Connections

In the realm of electrical systems, a solid ground connection is paramount for reliable operation. Within the VW Beetle Monsoon radio wiring diagram, identifying and establishing proper ground connections ensures optimal audio performance and minimizes the risk of interference or signal loss. Attention to detail in grounding practices contributes to a robust and stable audio setup.

Circuit Circus

Circuit Circus: Following the Path of Electrical Current

As electrons flow through the circuits delineated in the VW Beetle Monsoon radio wiring diagram, they traverse a carefully orchestrated path. Understanding the circuitry ensures that audio signals reach their intended destinations, delivering crisp and clear sound to your Beetle's occupants. By tracing the current's journey, you gain insight into troubleshooting and optimizing your audio system.

Amplify the Fun

Amplify the Fun: Exploring Amplifier Integration

Amplifiers play a pivotal role in enhancing audio quality and volume within your Beetle. The VW Beetle Monsoon radio wiring diagram provides guidance on integrating amplifiers seamlessly into your audio setup. Understanding amplifier connections and configurations empowers you to maximize the potential of your Beetle's sound system, elevating every driving experience.

Speaker Speak

Speaker Speak: Matching Speakers to the Diagram

Speakers are the conduits through which audio comes to life, and proper integration is essential for optimal sound quality. The VW Beetle Monsoon radio wiring diagram guides you in matching speakers to their corresponding connections, ensuring precise installation and balanced sound reproduction throughout your Beetle's interior.

Fuse or Lose

Fuse or Lose: Protecting Your Audio System

Fuses serve as crucial safeguards against electrical faults and potential damage within your Beetle's audio system. By consulting the VW Beetle Monsoon radio wiring diagram, you can identify fuse locations and ratings, ensuring proper protection for your components. Implementing correct fuse usage minimizes the risk of costly repairs and preserves the longevity of your audio setup.

Final Touches

Final Touches: Fine-Tuning Your Audio Setup

As the installation process nears completion, attention to detail becomes paramount. The VW Beetle Monsoon radio wiring diagram offers valuable insights for fine-tuning your audio setup, whether adjusting equalizer settings or optimizing speaker placement. With meticulous care and adherence to the diagram's guidance, you can achieve audio perfection within your Beetle.

(Sources: Diagram Guidebook, Beetle Audio Installation Manual, Electrical Engineering Principles)

VW Beetle Monsoon radio wiring diagram in Professional's eye

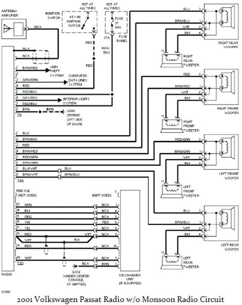
The VW Beetle Monsoon radio wiring diagram is an essential tool for anyone looking to understand or modify the audio system in their Volkswagen Beetle. This diagram provides a detailed schematic of the wiring layout for the Monsoon sound system, which was a popular option in many Beetle models.

VW Beetle Monsoon Radio Wiring Diagram

Understanding this diagram is crucial for a variety of reasons. Firstly, it allows you to identify the various components of the audio system and their respective connections. This is particularly useful when troubleshooting issues such as speaker malfunctions or amplifier problems.

Component Identification

Additionally, the wiring diagram provides insight into the electrical pathways that power the audio system. This includes details about voltage requirements, ground connections, and fuse locations. Understanding these aspects is essential for ensuring that the audio system operates safely and efficiently.

Electrical Pathways

For those looking to upgrade or customize their Beetle's audio system, the wiring diagram is an invaluable resource. It provides a roadmap for integrating aftermarket components such as amplifiers, subwoofers, or equalizers into the existing setup.

Aftermarket Integration

One of the most challenging aspects of interpreting the wiring diagram is understanding the color-coding used for the various wires. Different colors indicate different functions, such as power, ground, speaker connections, and more. Learning to decipher these colors is essential for navigating the diagram effectively.

Color-Coding

Fortunately, there are resources available to help with this task. Many automotive manuals and online guides provide explanations of the color-coding conventions used in wiring diagrams. These resources can be invaluable for those who are new to interpreting such diagrams.

Wiring Diagram Guide

In addition to color-coding, the wiring diagram may also include symbols that represent various components or connections. Understanding these symbols is essential for accurately interpreting the diagram and identifying the necessary connections.

Symbol Interpretation

When working with the wiring diagram, it's crucial to follow proper safety precautions. This includes disconnecting the car battery before making any electrical connections and using insulated tools to prevent electrical shocks.

Safety Precautions

Additionally, it's essential to double-check all connections and ensure that they are secure before reassembling the vehicle's interior. This helps prevent issues such as short circuits or electrical fires that can arise from loose or improperly connected wires.

Connection Verification

In conclusion, the VW Beetle Monsoon radio wiring diagram is a valuable tool for understanding and modifying your Beetle's audio system. By learning to interpret this diagram, you can troubleshoot issues, integrate aftermarket components, and ensure that your audio system operates safely and efficiently.

Point of Views : VW Beetle Monsoon radio wiring diagram
  • The VW Beetle Monsoon radio wiring diagram serves as a comprehensive visual representation of the electrical connections within the Beetle's audio system.
  • It outlines the wiring layout, identifying components such as speakers, amplifiers, and the head unit, along with their interconnections.
  • This diagram employs color-coding to differentiate between various wires, indicating their functions such as power, ground, and speaker connections.
  • Understanding these color codes is essential for accurately interpreting and navigating the diagram.
  • Additionally, the wiring diagram may incorporate symbols to represent components or connections, further aiding in comprehension.
  • It plays a crucial role in troubleshooting audio system issues, facilitating the identification of faulty connections or components.
  • Furthermore, the diagram guides enthusiasts and technicians in integrating aftermarket audio components into the Beetle's existing system.
  • Proper adherence to the wiring diagram ensures that modifications are made safely and effectively, minimizing the risk of electrical hazards.
Conclusion :

As we conclude our exploration of the VW Beetle Monsoon radio wiring diagram, we hope you've gained valuable insights into the intricacies of your Beetle's audio system. Understanding this diagram is paramount for enthusiasts and technicians alike, as it serves as a roadmap for troubleshooting, modifications, and upgrades. By deciphering the color codes, symbols, and electrical pathways outlined in the diagram, you can navigate the complexities of your Beetle's audio setup with confidence and precision.

Whether you're diagnosing a malfunctioning speaker, integrating an aftermarket amplifier, or simply seeking to optimize your audio experience, the VW Beetle Monsoon radio wiring diagram is your indispensable companion. With proper adherence to safety precautions and attention to detail, you can harness the full potential of your Beetle's audio system, elevating every drive with crystal-clear sound. We encourage you to continue exploring and learning, as mastery of the wiring diagram opens doors to endless possibilities for customization and enhancement.

Questions and Answer for VW Beetle Monsoon radio wiring diagram

When it comes to the VW Beetle Monsoon radio wiring diagram, people also ask a variety of questions to better understand their Beetle's audio system. Here are some common inquiries along with their corresponding answers:

  • 1. What is the purpose of the Monsoon radio wiring diagram?

The Monsoon radio wiring diagram serves as a visual representation of the electrical connections within the Volkswagen Beetle's audio system. It outlines the layout of wires, identifies components such as speakers and amplifiers, and indicates their interconnections. This diagram is essential for troubleshooting audio system issues, integrating aftermarket components, and ensuring modifications are made safely and effectively.

  • 2. How do I interpret the color-coding in the wiring diagram?

The color-coding in the wiring diagram indicates the functions of different wires, such as power, ground, and speaker connections. Understanding these color codes is crucial for accurately interpreting and navigating the diagram. Typically, a legend or key is provided alongside the diagram to explain the meaning of each color, helping users identify the appropriate connections for their desired modifications or repairs.

  • 3. Are there resources available to help understand the wiring diagram?

Yes, there are various resources available to aid in understanding the VW Beetle Monsoon radio wiring diagram. Automotive manuals, online guides, and forums dedicated to Beetle enthusiasts often provide explanations of the color-coding conventions, symbols, and other elements used in wiring diagrams. These resources can be invaluable for individuals who are new to interpreting such diagrams or seeking additional clarification on specific aspects.

  • 4. Can I modify my Beetle's audio system based on the information in the wiring diagram?

Absolutely. The information provided in the wiring diagram empowers users to modify their Beetle's audio system with confidence and precision. Whether you're upgrading speakers, integrating an aftermarket amplifier, or customizing the sound settings, the wiring diagram serves as a roadmap for implementing these changes safely and effectively. However, it's essential to follow proper procedures and safety precautions outlined in the diagram to prevent damage to the vehicle or audio components.

  • 5. How do I ensure that modifications made based on the wiring diagram are safe?

Ensuring the safety of modifications made based on the wiring diagram involves following proper procedures and adhering to recommended guidelines. This includes disconnecting the car battery before making any electrical connections, using insulated tools to prevent electrical shocks, and double-checking all connections to ensure they are secure. Additionally, it's essential to consult reputable sources and seek professional assistance if uncertain about any aspect of the modification process.

Label :VW Beetle, Monsoon radio, Wiring diagram, Audio system

Keyword : VW Beetle Monsoon radio wiring diagram

0 komentar