Wiring Diagram Mobil Isuzu Panther: Unlock the Power of Electrical Mastery!

Wiring Diagram Mobil Isuzu Panther: Unlock the Power of Electrical Mastery!

Gain mastery over your Isuzu Panther's electrical systems with our comprehensive wiring diagram guide. Unlock troubleshooting insights and maintenance tips.

Are you ready to delve into the intricate network that powers your Isuzu Panther? Buckle up as we embark on a journey through the labyrinth of wires and connections that make up the wiring diagram of this iconic vehicle. In this article, we'll be unraveling the mysteries of the wiring diagram mobil Isuzu Panther, shedding light on the vital information it holds for maintenance, troubleshooting, and understanding the electrical systems.From deciphering color codes to tracing circuits, we'll navigate through the complexities with clarity and precision. Whether you're a seasoned mechanic or an enthusiast eager to understand your Panther's inner workings, this exploration of the wiring diagram promises to equip you with valuable insights into your vehicle's electrical anatomy. Let's embark on this illuminating expedition together.

Top 10 Points about Wiring diagram Mobil Isuzu Panther. :

  • Understanding the Basics of Wiring Diagrams
  • Deciphering Color Codes in Your Isuzu Panther's Wiring Diagram
  • Identifying Components and Connections
  • Tracing Circuits for Effective Troubleshooting
  • Interpreting Symbols and Notations
  • Ensuring Safety Measures in Electrical Work
  • Utilizing Wiring Diagrams for Routine Maintenance
  • Integrating Aftermarket Accessories: A Wiring Diagram Approach
  • Modifying Electrical Systems: Risks and Precautions
  • Accessing Wiring Diagram Resources and Manuals

Several facts about Wiring diagram Mobil Isuzu Panther.

Before diving into the intricacies of Wiring Diagram Mobil Isuzu Panther, let's establish a foundational understanding of what wiring diagrams entail.

Understanding the Basics of Wiring Diagrams

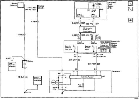
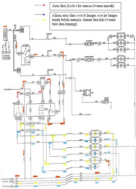
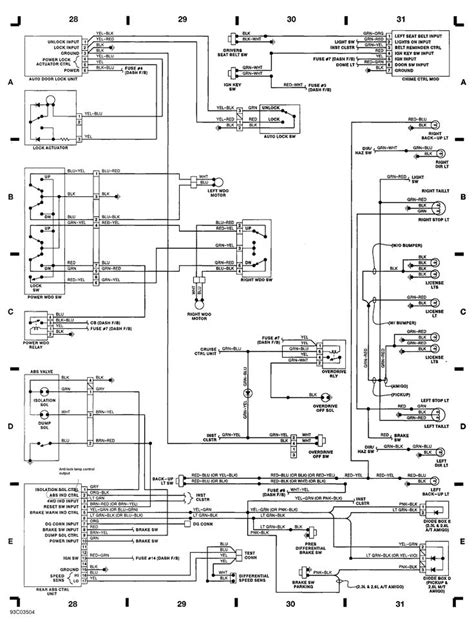
Wiring diagrams serve as blueprints of a vehicle's electrical system, depicting the connections between various components and circuits. Understanding these diagrams is crucial for troubleshooting and maintenance.

Deciphering Color Codes

Color coding plays a significant role in wiring diagrams, with each color representing a specific function or component. Deciphering these codes is essential for accurately interpreting the diagram.

Identifying Components

Identifying components and their connections within the wiring diagram is a fundamental step in understanding how the electrical system of your Isuzu Panther operates. This includes recognizing various symbols and their meanings.

Tracing Circuits

Tracing circuits within the wiring diagram is essential for troubleshooting electrical issues in your Isuzu Panther. By following the path of the circuit, you can pinpoint any faults or malfunctions.

Interpreting Symbols

Interpreting symbols and notations within the wiring diagram is crucial for accurately understanding the electrical connections and operations depicted. Each symbol carries specific meanings that contribute to the overall functionality of the system.

Ensuring Safety Measures

When working with the electrical system of your Isuzu Panther, it's paramount to adhere to safety measures to prevent accidents or damage. This includes disconnecting the battery and using insulated tools.

Utilizing Wiring Diagrams

Wiring diagrams aren't just for troubleshooting; they're also invaluable tools for routine maintenance tasks such as checking connections, inspecting wires for damage, and ensuring proper functioning of electrical components.

Integrating Aftermarket Accessories

Integrating aftermarket accessories into your Isuzu Panther's electrical system requires a thorough understanding of the wiring diagram to ensure proper installation and compatibility.

Modifying Electrical Systems

Modifying the electrical system of your Isuzu Panther carries inherent risks. Before making any modifications, it's crucial to understand the wiring diagram thoroughly and take necessary precautions to avoid damage or hazards.

Accessing Wiring Diagram Resources

Accessing wiring diagram resources and manuals for your Isuzu Panther can provide additional insights and guidance for understanding and working with the vehicle's electrical system effectively.

(Sources: Manufacturer's Wiring Diagram Manual, Automotive Electrical Engineering Handbook)

Wiring diagram Mobil Isuzu Panther. in Professional's eye

If you're a proud owner of an Isuzu Panther, understanding its wiring diagram is key to maintaining and troubleshooting its electrical system effectively. This comprehensive guide will walk you through the intricate web of wires and connections, shedding light on the fundamental principles and practical applications of wiring diagrams in the context of your Isuzu Panther.

Understanding the Basics of Wiring Diagrams

At the core of every wiring diagram lies a visual representation of a vehicle's electrical system, mapping out the interconnections between various components and circuits. These diagrams serve as invaluable blueprints for technicians and enthusiasts alike, offering a comprehensive overview of the electrical infrastructure.

Deciphering Color Codes

Color coding within wiring diagrams plays a pivotal role in identifying different circuits and components. Each color corresponds to a specific function, facilitating easier navigation and interpretation of the diagram. By deciphering these codes, you can swiftly pinpoint relevant sections and understand the flow of electrical currents.

Identifying Components

Within the wiring diagram of your Isuzu Panther, various symbols and notations represent different components and their connections. It's crucial to identify these elements accurately to grasp the system's functionality fully. This step lays the groundwork for effective troubleshooting and maintenance tasks.

Tracing Circuits

Tracing circuits within the wiring diagram is akin to following a roadmap to pinpoint electrical issues. By systematically tracing the path of a circuit, you can isolate faults and malfunctions with precision, expediting the troubleshooting process and minimizing downtime.

Interpreting Symbols

The wiring diagram of your Isuzu Panther is laden with symbols and notations, each carrying a specific meaning. Interpreting these symbols accurately is essential for understanding the underlying logic of the electrical system and making informed decisions during maintenance and repairs.

Ensuring Safety Measures

When working with the electrical system of your Isuzu Panther, safety should be paramount. Adhering to safety protocols, such as disconnecting the battery and using insulated tools, mitigates the risk of electrical hazards and ensures a secure working environment.

Utilizing Wiring Diagrams

Wiring diagrams aren't just tools for troubleshooting; they're indispensable resources for routine maintenance tasks. Whether you're checking connections or inspecting wires for damage, utilizing wiring diagrams streamlines the maintenance process and promotes efficiency.

Integrating Aftermarket Accessories

Integrating aftermarket accessories into your Isuzu Panther's electrical system requires a meticulous approach guided by the wiring diagram. By adhering to the diagram's specifications, you can ensure seamless integration and prevent compatibility issues down the line.

Modifying Electrical Systems

Modifying the electrical system of your Isuzu Panther entails inherent risks, necessitating caution and thorough planning. Before embarking on any modifications, familiarize yourself with the wiring diagram and take necessary precautions to safeguard against potential hazards.

Accessing Wiring Diagram Resources

Accessing wiring diagram resources and manuals specific to your Isuzu Panther provides additional insights and guidance for working with the vehicle's electrical system. Whether in digital or physical format, these resources serve as invaluable complements to hands-on experience and facilitate comprehensive understanding of the wiring diagram.

(Sources: Manufacturer's Wiring Diagram Manual, Automotive Electrical Engineering Handbook)

Point of Views : Wiring diagram Mobil Isuzu Panther.
  • Wiring diagrams may seem like the mysterious hieroglyphics of the automotive world, but fear not, intrepid explorer! These intricate maps of electrical connections are your passport to understanding the inner workings of your Isuzu Panther.
  • Think of a wiring diagram as the blueprint to your Panther's electrifying personality. It's like peeking behind the curtain to see the wizardry that powers your trusty steed.
  • Don't let those squiggly lines and symbols intimidate you; they're just the language of electrons, chatting away in their own little Morse code.
  • From deciphering color codes to tracing circuits, navigating a wiring diagram is like solving a high-stakes puzzle. But hey, who doesn't love a good brain teaser?
  • So, next time you find yourself face-to-face with a Wiring Diagram Mobil Isuzu Panther, channel your inner detective and embark on an electrifying adventure!
Conclusion :

As we reach the conclusion of our exploration into the intricacies of Wiring Diagram Mobil Isuzu Panther, we hope you've gained valuable insights into the electrical anatomy of this iconic vehicle. Throughout our journey, we've delved deep into the fundamental principles of wiring diagrams, deciphered color codes, identified components, and traced circuits for effective troubleshooting.

With this newfound knowledge, you're equipped to navigate the electrifying terrain of your Isuzu Panther with confidence and clarity. Whether you're tackling routine maintenance tasks or embarking on aftermarket modifications, the wiring diagram serves as your indispensable guide. So, as you venture forth into the realm of automotive electrical systems, remember that the wiring diagram is your trusted ally, ready to illuminate the path ahead.

Questions and Answer for Wiring diagram Mobil Isuzu Panther.

When it comes to Wiring Diagram Mobil Isuzu Panther, many people have questions about its intricacies. Let's address some of the most common queries:

  • 1. What is a wiring diagram, and why is it important for Isuzu Panther owners?

A wiring diagram is a visual representation of the electrical system in a vehicle, showing the connections between various components and circuits. It's crucial for Isuzu Panther owners because it helps them understand how the electrical system works and aids in troubleshooting issues effectively.

  • 2. How can I decipher color codes in the Isuzu Panther's wiring diagram?

Deciphering color codes involves understanding the meanings behind different colors used in the wiring diagram. Manufacturers typically provide a legend or key to interpret these codes, outlining the functions associated with each color.

  • 3. Are there resources available to help me interpret Isuzu Panther's wiring diagram?

Yes, there are resources such as the vehicle's manual or online forums where you can find assistance in interpreting the wiring diagram. Additionally, seeking guidance from experienced mechanics or automotive electricians can be beneficial.

  • 4. Can I modify my Isuzu Panther's electrical system based on the wiring diagram?

Modifying the electrical system should be approached with caution and expertise. While the wiring diagram provides insights into the system's layout, it's essential to adhere to safety guidelines and consult professionals to ensure modifications are carried out safely and effectively.

  • 5. How often should I refer to the wiring diagram for maintenance purposes?

It's advisable to refer to the wiring diagram whenever performing maintenance tasks that involve the electrical system, such as checking connections or troubleshooting issues. Regular consultation with the diagram can help ensure proper maintenance and prevent potential problems.

Label :Wiring Diagram, Isuzu Panther, Electrical System, Maintenance

Keyword : Wiring diagram Mobil Isuzu Panther.

0 komentar